ステンレス製JIS規格フランジの寸法表
呼び圧力5Kフランジ
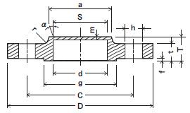
面座付さし込み溶接フランジ FF

ブラインドフランジ BF

ねじ込みフランジ STF

寸法表(単位:mm)
| 呼び径 A |
呼び径 B |
外径 D |
内径 d |
厚さ | ねじの呼び Rc |
ハブの径小径側 a |
全長 T |
すみ肉の半径 r |
接合寸法 | ||||
|---|---|---|---|---|---|---|---|---|---|---|---|---|---|
| t BF以外 |
t BF |
ボルト穴中心円の経 C |
ボルト穴の経 h |
ボルトの本数 | ボルトのねじの呼び | ||||||||
| 10 | ⅜ | 75 | 17.8 | 9 | 9 | - | - | - | - | 55 | 12 | 4 | M10 |
| 15 | ½ | 80 | 22.2 | 9 | 9 | Rc½ | 27 | 13 | 4 | 60 | 12 | 4 | M10 |
| 20 | ¾ | 85 | 27.7 | 10 | 10 | Rc¾ | 33 | 15 | 4 | 65 | 12 | 4 | M10 |
| 25 | 1 | 95 | 34.5 | 10 | 10 | Rc1 | 41 | 17 | 4 | 75 | 12 | 4 | M10 |
| 32 | 1¼ | 115 | 43.2 | 12 | 12 | Rc1¼ | 50 | 19 | 4 | 90 | 15 | 4 | M12 |
| 40 | 1½ | 120 | 49.1 | 12 | 12 | Rc1½ | 56 | 20 | 4 | 95 | 15 | 4 | M12 |
| 50 | 2 | 130 | 61.1 | 14 | 14 | Rc2 | 69 | 24 | 4 | 105 | 15 | 4 | M12 |
| 65 | 2½ | 155 | 77.1 | 14 | 14 | Rc1½ | 86 | 27 | 4 | 130 | 15 | 4 | M12 |
| 80 | 3 | 180 | 90.0 | 14 | 14 | Rc3 | 99 | 30 | 4 | 145 | 19 | 4 | M16 |
| 90 | 3½ | 190 | 102.6 | 14 | 14 | - | - | - | - | 155 | 19 | 4 | M16 |
| 100 | 4 | 200 | 115.4 | 16 | 16 | Rc4 | 127 | 36 | 4 | 165 | 19 | 8 | M16 |
| 125 | 5 | 235 | 141.2 | 16 | 16 | - | - | - | - | 200 | 19 | 8 | M16 |
| 150 | 6 | 265 | 166.6 | 18 | 18 | - | - | - | - | 230 | 19 | 8 | M16 |
| 200 | 8 | 320 | 218.0 | 20 | 20 | - | - | - | - | 280 | 23 | 8 | M20 |
| 250 | 10 | 385 | 269.5 | 22 | 22 | - | - | - | - | 345 | 23 | 12 | M20 |
| 300 | 12 | 430 | 321.0 | 22 | 22 | - | - | - | - | 390 | 23 | 12 | M20 |
| 350 | 14 | 480 | 358.1 | 24 | 24 | - | - | - | - | 435 | 25 | 12 | M22 |
| 400 | 16 | 540 | 409.0 | 24 | 24 | - | - | - | - | 495 | 25 | 16 | M22 |
| 450 | 18 | 605 | 460.0 | 24 | 24 | - | - | - | - | 555 | 25 | 16 | M22 |
| 500 | 20 | 655 | 511.0 | 24 | 24 | - | - | - | - | 605 | 25 | 20 | M22 |
| 550 | 22 | 720 | 562.0 | 26 | 26 | - | - | - | - | 665 | 27 | 20 | M24 |
| 600 | 24 | 770 | 613.0 | 26 | 26 | - | - | - | - | 715 | 27 | 20 | M24 |
| 650 | 26 | 825 | 664.0 | 26 | 28 | - | - | - | - | 770 | 27 | 24 | M24 |
| 700 | 28 | 875 | 715.0 | 26 | 30 | - | - | - | - | 820 | 27 | 24 | M24 |
| 750 | 30 | 945 | 766.0 | 28 | 32 | - | - | - | - | 880 | 33 | 24 | M30 |
| 800 | 32 | 995 | 817.0 | 28 | 34 | - | - | - | - | 930 | 33 | 24 | M30 |
| 850 | 34 | 1045 | 868.0 | 28 | 36 | - | - | - | - | 980 | 33 | 24 | M30 |
| 900 | 36 | 1095 | 919.0 | 30 | 36 | - | - | - | - | 1030 | 33 | 24 | M30 |
| 1000 | 40 | 1195 | 1021.0 | 32 | 40 | - | - | - | - | 1130 | 33 | 28 | M30 |
呼び圧力10Kフランジ
さし込み溶接フランジ FF

ブラインドフランジ BF

ねじ込みフランジ STF

面座付さし込み溶接フランジ RF

面座付ブラインドフランジ BDRF

遊合フランジ FFC

寸法表(単位:mm)
| 呼び径 A |
呼び径 B |
外径 D |
内径 d |
厚さ | 平面座 | ねじの呼び Rc |
ハブの径小径側 a |
全長 T |
すみ肉の半径 r |
面取り c |
接合寸法 | |||||
|---|---|---|---|---|---|---|---|---|---|---|---|---|---|---|---|---|
| t BF以外 |
t BF |
径 g |
高さ f |
ボルト穴中心円の経 C |
ボルト穴の経 h |
ボルトの本数 | ボルトのねじの呼び | |||||||||
| 10 | ⅜ | 90 | 17.8 | 12 | 12 | 46 | 1 | - | - | - | - | - | 65 | 15 | 4 | M12 |
| 15 | ½ | 95 | 22.2 | 12 | 12 | 51 | 1 | Rc½ | 27 | 16 | 4 | 3 | 70 | 15 | 4 | M12 |
| 20 | ¾ | 100 | 27.7 | 14 | 14 | 56 | 1 | Rc¾ | 33 | 20 | 4 | 4 | 75 | 15 | 4 | M12 |
| 25 | 1 | 125 | 34.5 | 14 | 14 | 67 | 1 | Rc1 | 41 | 20 | 4 | 4 | 90 | 19 | 4 | M16 |
| 32 | 1¼ | 135 | 43.2 | 16 | 16 | 76 | 2 | Rc1¼ | 50 | 22 | 4 | 5 | 100 | 19 | 4 | M16 |
| 40 | 1½ | 140 | 49.1 | 16 | 16 | 81 | 2 | Rc1½ | 56 | 24 | 4 | 5 | 105 | 19 | 4 | M16 |
| 50 | 2 | 155 | 61.1 | 16 | 16 | 96 | 2 | Rc2 | 69 | 24 | 4 | 5 | 120 | 19 | 4 | M16 |
| 65 | 2½ | 175 | 77.1 | 18 | 18 | 116 | 2 | Rc2½ | 86 | 27 | 4 | 6 | 140 | 19 | 4 | M16 |
| 80 | 3 | 185 | 90.0 | 18 | 18 | 126 | 2 | Rc3 | 99 | 30 | 4 | 6 | 150 | 19 | 8 | M16 |
| 90 | 3½ | 195 | 102.6 | 18 | 18 | 136 | 2 | - | - | - | - | - | 160 | 19 | 8 | M16 |
| 100 | 4 | 210 | 115.4 | 18 | 18 | 151 | 2 | Rc4 | 127 | 36 | 4 | 6 | 175 | 19 | 8 | M16 |
| 125 | 5 | 250 | 141.2 | 20 | 20 | 182 | 2 | - | - | - | - | 6 | 210 | 23 | 8 | M20 |
| 150 | 6 | 280 | 166.6 | 22 | 22 | 212 | 2 | - | - | - | - | 6 | 240 | 23 | 8 | M20 |
| 200 | 8 | 330 | 218.0 | 22 | 22 | 262 | 2 | - | - | - | - | 6 | 290 | 23 | 12 | M20 |
| 250 | 10 | 400 | 269.5 | 24 | 24 | 324 | 2 | - | - | - | - | - | 355 | 25 | 12 | M22 |
| 300 | 12 | 445 | 321.0 | 24 | 24 | 368 | 3 | - | - | - | - | - | 400 | 25 | 16 | M22 |
| 350 | 14 | 490 | 358.1 | 26 | 26 | 413 | 3 | - | - | - | - | - | 445 | 25 | 16 | M22 |
| 400 | 16 | 560 | 409.0 | 28 | 28 | 475 | 3 | - | - | - | - | - | 510 | 27 | 16 | M24 |
| 450 | 18 | 620 | 460.0 | 30 | 30 | 530 | 3 | - | - | - | - | - | 565 | 27 | 20 | M24 |
| 500 | 20 | 675 | 511.0 | 30 | 30 | 585 | 3 | - | - | - | - | - | 620 | 27 | 20 | M24 |
| 550 | 22 | 745 | 562.0 | 32 | 34 | 640 | 3 | - | - | - | - | - | 680 | 33 | 20 | M30 |
| 600 | 24 | 792 | 613.0 | 32 | 36 | 690 | 3 | - | - | - | - | - | 730 | 33 | 24 | M30 |
| 650 | 26 | 845 | 664.0 | 34 | 38 | 740 | 3 | - | - | - | - | - | 780 | 33 | 24 | M30 |
| 700 | 28 | 905 | 715.0 | 34 | 40 | 800 | 3 | - | - | - | - | - | 840 | 33 | 24 | M30 |
| 750 | 30 | 970 | 766.0 | 36 | 44 | 855 | 3 | - | - | - | - | - | 900 | 33 | 24 | M30 |
| 800 | 32 | 1020 | 817.0 | 36 | 46 | 905 | 3 | - | - | - | - | - | 950 | 33 | 28 | M30 |
| 850 | 34 | 1070 | 868.0 | 36 | 48 | 955 | 3 | - | - | - | - | - | 1000 | 33 | 28 | M30 |
| 900 | 36 | 1120 | 919.0 | 38 | 50 | 1005 | 3 | - | - | - | - | - | 1050 | 33 | 28 | M30 |
| 1000 | 40 | 1235 | 1021.0 | 40 | 56 | 1110 | 3 | - | - | - | - | - | 1160 | 39 | 28 | M36 |
呼び圧力20Kフランジ
面座付さし込み溶接フランジ RF

ブラインドフランジ BF

スリップオン(A型)フランジ SORF

面座付さし込み溶接フランジ RF

面座付ブラインドフランジ BDRF

寸法表(単位:mm)
| 呼び径 A |
呼び径 B |
外径 D |
内径 d |
厚さ t |
平面座 | ハブの径小径側 a |
全長 T |
すみ肉の半径 r |
溶接部詳細 | 接合寸法 | ||||||
|---|---|---|---|---|---|---|---|---|---|---|---|---|---|---|---|---|
| 径 g |
高さ f |
S | m | α | ボルト穴中心円の経 C |
ボルト穴の経 h |
ボルトの本数 | ボルトのねじの呼び | ||||||||
| 10 | ⅜ | 90 | 17.8 | 14 | 46 | 1 | - | - | - | - | - | - | 65 | 15 | 4 | M12 |
| 10 | ½ | 95 | 22.2 | 14 | 51 | 1 | 34 | 20 | 4 | 31 | 4 | - | 70 | 15 | 4 | M12 |
| 20 | ¾ | 100 | 27.7 | 16 | 56 | 1 | 40 | 22 | 4 | 37 | 4 | - | 75 | 15 | 4 | M12 |
| 25 | 1 | 125 | 34.5 | 16 | 67 | 1 | 48 | 24 | 4 | 44 | 4 | - | 90 | 19 | 4 | M16 |
| 32 | 1¼ | 135 | 43.2 | 18 | 76 | 2 | 56 | 26 | 5 | 52 | 4 | - | 100 | 19 | 4 | M16 |
| 40 | 1½ | 140 | 49.1 | 18 | 81 | 2 | 62 | 26 | 5 | 58 | 4 | - | 105 | 19 | 4 | M16 |
| 50 | 2 | 155 | 61.1 | 18 | 96 | 2 | 76 | 26 | 5 | 70 | 4 | - | 120 | 19 | 8 | M16 |
| 65 | 2½ | 175 | 77.1 | 20 | 116 | 2 | 100 | 30 | 5 | 94 | 6 | 20° | 140 | 19 | 8 | M16 |
| 80 | 3 | 200 | 90.0 | 22 | 132 | 2 | 113 | 34 | 6 | 107 | 6 | 20° | 160 | 23 | 8 | M20 |
| 100 | 4 | 225 | 115.4 | 24 | 160 | 2 | 138 | 36 | 6 | 132 | 6 | 20° | 185 | 23 | 8 | M20 |
| 125 | 5 | 270 | 141.2 | 26 | 195 | 2 | - | - | - | - | - | - | 225 | 25 | 8 | M22 |
| 150 | 6 | 305 | 166.6 | 28 | 230 | 2 | - | - | - | - | - | - | 260 | 25 | 12 | M22 |
| 200 | 8 | 350 | 218.0 | 30 | 275 | 2 | - | - | - | - | - | - | 305 | 25 | 12 | M22 |
| 250 | 10 | 430 | 269.5 | 34 | 345 | 2 | - | - | - | - | - | - | 380 | 27 | 12 | M24 |
| 300 | 12 | 480 | 321.0 | 36 | 395 | 3 | - | - | - | - | - | - | 430 | 27 | 16 | M24 |





